Rumah > Produk > Baut > Sekrup Beralur Silang > Sekrup Kepala Pan Tersembunyi Dengan Kerah
        Sekrup Kepala Pan Tersembunyi Dengan Kerah
        • Sekrup Kepala Pan Tersembunyi Dengan KerahSekrup Kepala Pan Tersembunyi Dengan Kerah
        • Sekrup Kepala Pan Tersembunyi Dengan KerahSekrup Kepala Pan Tersembunyi Dengan Kerah
        • Sekrup Kepala Pan Tersembunyi Dengan KerahSekrup Kepala Pan Tersembunyi Dengan Kerah
        • Sekrup Kepala Pan Tersembunyi Dengan KerahSekrup Kepala Pan Tersembunyi Dengan Kerah

        Sekrup Kepala Pan Tersembunyi Dengan Kerah

        Sekrup kepala panci tersembunyi dengan kerah memiliki kepala bundar dengan lekukan silang di tengahnya, yang terlihat bagus dan mengurangi kemungkinan tersangkutnya benda lain. Pabrik Xiaoguo® memiliki sistem kontrol kualitas yang ketat untuk menghasilkan sekrup yang tahan lama dan tanpa cacat.
        Model:DIN 967-1994

        mengirimkan permintaan

        Deskripsi Produk

        Sekrup kepala panci tersembunyi dengan kerahmenggunakan bahan yang cocok untuk pekerjaan tertentu. Jenis baja tahan karat (seperti grade 304/316) cocok digunakan di area rawan karat, karena dapat menangani korosi dengan lebih baik. Sekrup baja paduan diberi perlakuan panas untuk menguatkannya untuk pekerjaan berat yang memerlukan tegangan tinggi. Butuh sesuatu yang lebih ringan? Pilihan aluminium atau kuningan berfungsi dengan baik dan tahan baik-baik saja sambil terlihat bersih.

        Mereka datang dengan lapisan seperti pelapisan seng (melawan keausan) atau oksida hitam (membantu konduktivitas). Memilih bahan yang tepat berarti sekrup ini memenuhi spesifikasi industri dalam hal batas berat, toleransi panas, dan kinerja lingkungan. Pada dasarnya, mereka punya opsi untuk mencakup sebagian besar situasi.


        Petunjuk penggunaan produk

        Saat menggunakan sekrup ini, pertama-tama Anda perlu menyiapkan obeng Phillips yang sesuai dengan ukurannya. Kemudian, cari posisi di mana Anda perlu memperbaiki bagian-bagiannya, dan buatlah lubang jika tidak ada lubang berulir. Selanjutnya masukkan sekrup ke dalam lubang, sejajarkan obeng silang dengan ceruk silang pada kepala sekrup. Pegang obeng dengan kuat dan putar searah jarum jam hingga sekrupnya kencang. Kerah pada sekrup akan pas dengan permukaan komponen, jadi Anda tidak perlu menambahkan ring tambahan. Jangan memutarnya terlalu keras, karena dapat merusak benang atau obeng. Sangat cocok untuk memasang bagian yang terbuat dari kayu, plastik atau logam tipis. Sekrup Kepala Pan Tersembunyi Silang Dengan Kerah mudah digunakan, bahkan bagi orang yang tidak memiliki banyak pengalaman dalam pemasangan, mereka dapat menyelesaikan pengoperasian dengan lancar dengan mengikuti langkah-langkah berikut.




        Cross recessed pan head screws with collar


        Aplikasi

        Sekrup kepala panci tersembunyi dengan kerahpenting dalam banyak industri yang berbeda. Dalam pembuatan mobil, mereka menahan panel interior dan trim pada tempatnya tanpa ada bagian tepi yang menonjol. Perusahaan elektronik menggunakannya untuk merakit casing perangkat, karena ruangnya sempit, mereka memerlukan sekrup datar yang tidak memakan banyak ruang. Pembuat furnitur memasang engsel atau slide laci dengan sekrup ini sehingga tidak terlihat.

        Untuk peralatan kelautan atau rambu luar ruangan, versi tahan karat adalah suatu keharusan, karena tahan terhadap lingkungan basah atau keras. Dalam sistem HVAC, mereka mengamankan bagian saluran dan tidak lepas dari getaran. Bidang medis menggunakan bahan stainless steel yang dapat disterilkan untuk peralatan perakitan. Bahkan untuk proyek DIY, seperti memasang perlengkapan lampu atau potongan logam dekoratif, inisekrup kepala panci tersembunyi dengan kerahbekerja dengan baik, menunjukkan betapa serbagunanya mereka untuk berbagai kegunaan.

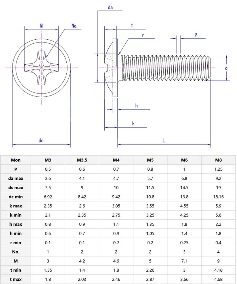
        Cross recessed pan head screws with collar parameter

        Pilihan kemasan

        T: Pilihan kemasan apa yang tersedia untuk pesanan massalsekrup kepala panci tersembunyi dengan kerah?

        A:Sekrup kepala panci tersembunyi dengan kerahdikemas dalam jumlah besar, seperti kantong PVC atau PE, disegel vakum dengan bahan pengering agar tetap kering, atau disortir ke dalam kotak plastik atau kertas berlabel. Untuk jalur perakitan otomatis, kami hadir dalam kemasan tape-and-reel. Saat mengirim ke luar negeri, kami akan menggunakan karton layak laut yang dilapisi kertas VCI anti karat untuk melindunginya selama transit.

        Standarsekrupbiasanya dikirim dalam batch 1.000 hingga 10.000 unit, jumlah pesanan minimum (MOQ) lainnya bervariasi tergantung pada bahan dan ukuran. Untuk pesanan dalam jumlah besar, buat palet agar penanganannya lebih mudah.

        Tag Panas: Sekrup Kepala Pan Tersembunyi Silang Dengan Kerah, Cina, Produsen, Pemasok, Pabrik
        Kategori Terkait
        mengirimkan permintaan
        Jangan ragu untuk memberikan pertanyaan Anda dalam formulir di bawah ini. Kami akan membalas Anda dalam 24 jam.
        X
        Kami menggunakan cookie untuk menawarkan Anda pengalaman penelusuran yang lebih baik, menganalisis lalu lintas situs, dan mempersonalisasi konten. Dengan menggunakan situs ini, Anda menyetujui penggunaan cookie kami. Kebijakan Privasi
        Menolak Menerima