Rumah > Produk > Baut > Baut Kepala Persegi > Baut kepala miring
        Baut kepala miring
        • Baut kepala miringBaut kepala miring
        • Baut kepala miringBaut kepala miring
        • Baut kepala miringBaut kepala miring

        Baut kepala miring

        Baut kepala miring adalah pengikat umum, yang banyak digunakan di bidang manufaktur mesin, industri konstruksi, manufaktur mobil, dll. Melalui komunikasi rutin dan umpan balik dari pelanggan kami, Xiaoguo® terus meningkatkan layanan kami untuk memastikan tingkat kepuasan pelanggan tertinggi.
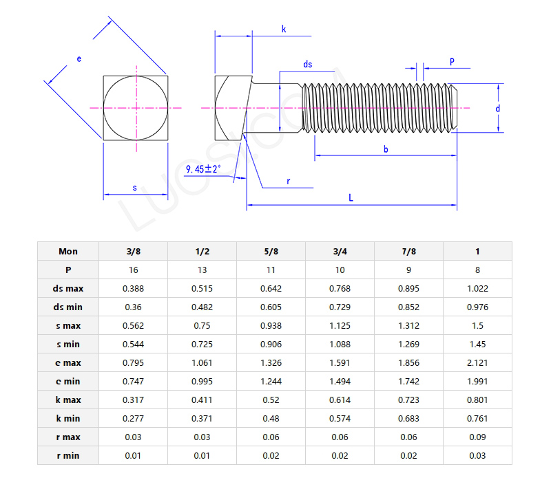
        Model:ASME/ANSI B18.2.1-4-2012

        mengirimkan permintaan

        Deskripsi Produk

        Baut kepala miring merupakan baut khusus dengan kepala berbentuk persegi dan bentuk yang unik dan berkarakter.

        Klasifikasi

        Klasifikasi ukuran:Baut kepala miring dapat dibagi menjadi spesifikasi yang berbeda berdasarkan ukuran, seperti M3, M4, M5, dll., sesuai dengan diameter dan panjang ulir yang berbeda.

        Klasifikasi bahan: Menurut lingkungan penggunaan yang berbeda,baut kepala miringdapat dibagi menjadi baja karbon dan baja tahan karat dua jenis. Bahan baja karbon memiliki kekuatan tinggi, tetapi tidak tahan korosi; Baja tahan karat memiliki ketahanan korosi yang lebih baik.

        Klasifikasi tingkat akurasi: Tingkat akurasi baut kepala miring dapat dibagi menjadi tingkat biasa dan tingkat lanjut. Kisaran toleransi benang kelas biasa besar, cocok untuk acara umum; Toleransi benang tingkat lanjut lebih kecil dan lebih akurat, cocok untuk aplikasi presisi.

        Skenario aplikasi dan metode instalasi

        Manufaktur mekanis: Baut kepala miring banyak digunakan di bidang manufaktur mekanis, seperti peralatan mekanik, peralatan mesin, perangkat transmisi, dll.

        Industri konstruksi: Dalam bidang konstruksi, baut kepala miring sering digunakan untuk mengencangkan berbagai komponen, seperti balok, pelat, kolom, dll.

        Manufaktur mobil: Dalam proses manufaktur mobil,baut kepala miringdigunakan untuk memperbaiki suku cadang mobil, seperti mesin, gearbox, dll.


        oblique head bolt

        Sebelum digunakan, bagian ulir harus dipastikan bersih dan bebas dari kotoran untuk menjamin kelancaran pemasangan. Sejajarkan baut kepala miring dengan lubang ulir target dan pastikan baut sejajar dengan lubang. Gunakan kunci pas atau obeng yang sesuai, kencangkan baut secara perlahan hingga tidak bergerak. Periksa apakah baut sudah dikencangkan. Jika torsi pengencangan tidak mencapai torsi yang diperlukan, kencangkan bautnya. Selesaikan pemasanganbaut kepala miringdan pastikan semua bagian penghubung aman dan stabil.

        oblique head bolt

        oblique head bolt

        Spesifikasi dan standar produk

        Spesifikasi daribaut kepala miringberagam, dari M8 hingga M64, dan panjangnya bervariasi dari puluhan milimeter hingga beberapa meter. Spesifikasi umum yang ada di pasaran meliputi 4.8 dan 8.8, pelanggan dapat memilih spesifikasi dan nilai yang tepat sesuai dengan kebutuhan spesifik. Selain itu, baut ini juga dapat disesuaikan sesuai dengan kebutuhan berbagai bagian bentuk untuk memenuhi skenario aplikasi khusus

        Pasar

        Pasar
        Pendapatan (Tahun Sebelumnya)
        Jumlah Pendapatan (%)
        Amerika Utara
        Rahasia
        20
        Amerika Selatan
        Rahasia
        4
        Eropa Timur
        Rahasia
        24
        Asia Tenggara
        Rahasia
        2
        Afrika
        Rahasia
        2
        Oceania
        Rahasia
        1
        Timur Tengah
        Rahasia
        4
        Asia Timur
        Rahasia
        13
        Eropa Barat
        Rahasia
        18
        Amerika Tengah
        Rahasia
        6
        Eropa Utara
        Rahasia
        2
        Eropa Selatan
        Rahasia
        1
        Asia Selatan
        Rahasia
        4
        Pasar Domestik
        Rahasia
        5


        Tag Panas: Baut kepala miring, Cina, Produsen, Pemasok, Pabrik
        Kategori Terkait
        mengirimkan permintaan
        Jangan ragu untuk memberikan pertanyaan Anda dalam formulir di bawah ini. Kami akan membalas Anda dalam 24 jam.
        X
        Kami menggunakan cookie untuk menawarkan Anda pengalaman penelusuran yang lebih baik, menganalisis lalu lintas situs, dan mempersonalisasi konten. Dengan menggunakan situs ini, Anda menyetujui penggunaan cookie kami. Kebijakan Privasi
        Menolak Menerima