Fitur alami dari klip paku keling plastik yang melebar membuatnya cocok untuk penggunaan khusus dan spesifik. Karena tidak menghantarkan listrik, ini sangat penting di kotak listrik dan area bertegangan tinggi. Tidak menimbulkan percikan api, hal ini sangat diperlukan di tempat yang dapat terjadi ledakan (zona ATEX).
Anda juga tidak dapat melakukannya tanpanya di ruang MRI dan perangkat elektronik sensitif, tempat di mana medan magnet kecil sekalipun dari pin logam tidak diperbolehkan.

Klip paku keling plastik yang bagus harus melalui pengujian ketat untuk memastikannya bekerja secara konsisten. Tes-tes ini memeriksa hal-hal seperti akurasi ukuran, seberapa kuat tarikannya, seberapa baik ia menangani benturan, dan apakah ia dapat digunakan dengan bahan kimia yang berbeda.
Pasak plastik Xiaoguo® diproduksi sesuai standar industri menggunakan bahan yang memenuhi persyaratan yang ditentukan, sehingga memastikan kinerja. Mereka dengan aman dan aman menahan benda-benda di tempatnya untuk tujuan yang dimaksudkan. Dibandingkan dengan pasak logam, pasak plastik lebih tahan korosi dan tahan karat.

Senin
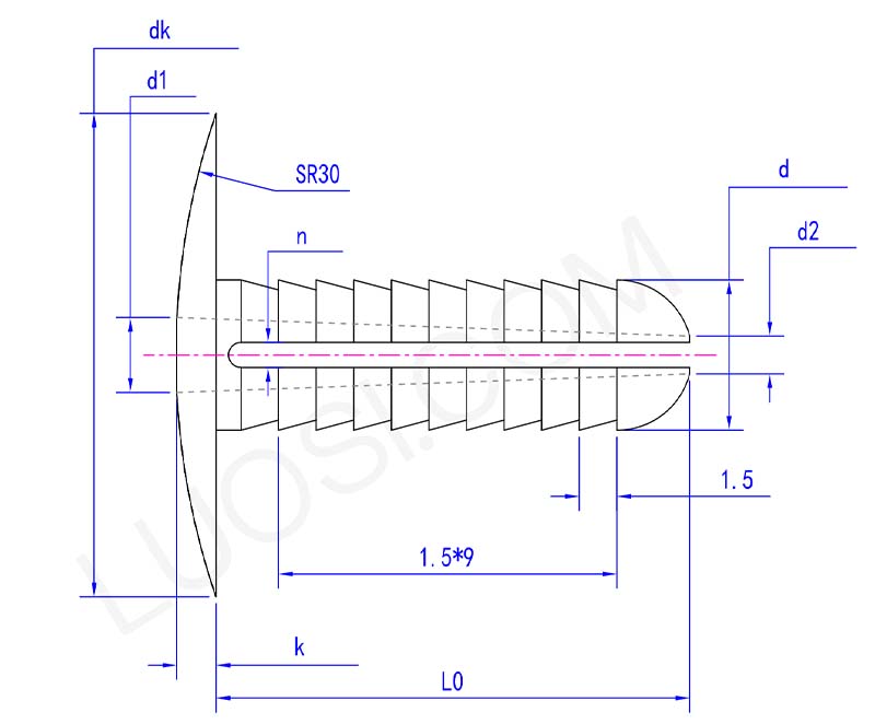
Φ6
Φ8
Φ10
d maks
6
8
10
menit
5.8
7.8
9.8
dk maks
16.2
16.2
18.2
min
15.8
15.8
17.8
k maks
1.6
1.6
2.1
k menit
1.4
1.4
1.9
L0
20
20
22
d1
3
4
5
d2
1.5
2
3
n
1
1
1.5
Klip paku keling plastik standar kami terbuat dari bahan yang mematuhi peraturan internasional utama, termasuk RoHS dan REACH. Kami juga menawarkan versi bersertifikat FDA untuk aplikasi kontak makanan. Sertifikat kepatuhan tersedia berdasarkan permintaan.
Bahan-bahan kami dipilih dengan cermat sesuai dengan standar global selama produksi, memastikan kepatuhan terhadap standar kualitas yang relevan dan memastikan ekspor yang aman dan penggunaan luas di seluruh dunia.