Rumah > Produk > Kacang > Pasang Mur dengan Tangan > Kenop Bulat Dengan Mur Penggulung Kerah
      Kenop Bulat Dengan Mur Penggulung Kerah
      • Kenop Bulat Dengan Mur Penggulung KerahKenop Bulat Dengan Mur Penggulung Kerah
      • Kenop Bulat Dengan Mur Penggulung KerahKenop Bulat Dengan Mur Penggulung Kerah

      Kenop Bulat Dengan Mur Penggulung Kerah

      Untuk gerakan linier yang presisi, pilih Kenop Bulat canggih XIAO GUO dengan Mur Penggulung Kerah. Dirancang untuk sekrup bola, ini memastikan pergerakan yang mulus dan berefisiensi tinggi, menjadikan kami China Round Knobs dengan pemasok Collar Rolling Nut yang tepercaya untuk CNC dan sistem otomasi.

      mengirimkan permintaan

      Deskripsi Produk

      Pertama, bor lubang pada lembaran logam yang sesuai dengan ukuran Round Knobs dengan Collar Rolling Nut. Jangan membuat lubangnya terlalu besar karena jika tidak, lubangnya tidak akan terkunci dengan benar. Bersihkan sisa serutan logam di dalam lubang; mereka mungkin menghalangi instalasi.

      Kemudian masukkan mur ke dalam lubang yang telah dibor sebelumnya, pastikan mur menempel rata pada lembaran. Gunakan alat press standar dengan cetakan yang sesuai dengan bagian atas mur. Berikan tekanan yang stabil dan merata pada alat—Anda akan merasakan sedikit “klik” saat alat terkunci di tempatnya. Tahan tekanan selama 1-2 detik untuk memastikannya aman.

      Hindari menggunakan pukulan palu; ini dapat membengkokkan mur atau merusak lembaran logam. Ini bekerja paling baik pada lembaran logam tipis hingga sedang (tebal 0,5-2 mm). Setelah dipasang, Anda dapat memasang baut dengan lancar tanpa mur berputar. Kenop Bulat dengan Mur Penggulung Kerah mudah digunakan bahkan untuk pemula, tidak memerlukan keterampilan yang rumit.

      Kemasan Produk

      Kami menggunakan kemasan yang sederhana dan praktis untuk menjaga keamanan kacang. Untuk pesanan atau sampel dalam jumlah kecil, produk tersebut dikemas dalam kantong plastik bening—biasanya 100 atau 200 buah per kantong. Setiap tas memiliki label dasar yang berisi ukuran, bahan, dan nomor batch, sehingga Anda dapat menemukan apa yang Anda butuhkan dengan mudah.

      Pesanan massal dimasukkan ke dalam karton kokoh. Tergantung pada ukuran murnya, setiap karton menampung 5.000 hingga 10.000 buah. Kami memasukkan busa atau bubble wrap ke dalamnya agar tidak tergores atau bergerak selama pengiriman. Karton tersebut memiliki tanda yang jelas untuk penanganannya, seperti “tetap kering” atau “jangan menumpuk barang berat”.

      Jika Anda memerlukan kemasan khusus—seperti logo Anda di tas atau jumlah tertentu per bungkus—beri tahu kami saat memesan. Tidak ada barang mewah tambahan, hanya berfungsi untuk penyimpanan dan pengiriman. Muncul dalam opsi standar berikut, yang sesuai dengan sebagian besar bengkel kecil, pabrik besar, atau kebutuhan pengguna DIY.

      Round Knobs With Collar Rolling Nut

      Sesi Tanya Jawab

      Berapa ketebalan lembaran logam yang cocok untuk Kenop Bulat dengan Mur Penggulung Kerah?  

      J: Ini bekerja paling baik pada lembaran logam tipis hingga sedang, dengan kisaran ketebalan 0,5 mm hingga 2,5 mm. Logam yang terlalu tebal tidak akan mengunci dengan benar, dan logam yang terlalu tipis dapat berubah bentuk selama pemasangan. Bahan umum seperti baja canai dingin, aluminium, dan lembaran baja tahan karat semuanya baik-baik saja. Pastikan saja ukuran lubang yang sudah dibor sesuai dengan diameter luar mur—kami dapat menyediakan tabel ukuran jika Anda memerlukannya sebagai referensi.  

      Round Knobs With Collar Rolling Nut

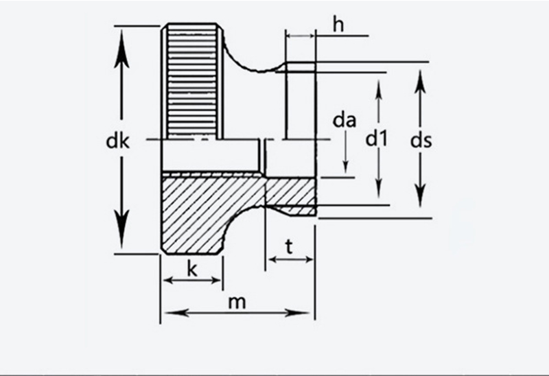
      ukuran Melempar Diameter luar Tinggi k ds ya d1 T h
      maks menit maks menit maks menit maks menit maks
      M3 0,5  11  10.7  6.64  2.8  5.7  3.5  3.2  5.2  1.2 
      M4 0,7  12  11.7  7.64  7.64  4.5  4.2  6.4  2.5  1.5 
      M5 0,8  16  15.7  10  96.6  10  9.64  5.5  5.5 
      M6 20  19.7  12  11.6  12  11.6  6.56  6.2  11  2.5 
      M8 1.25  24  23.7  16  15.6  16  15.6  8.86  8.5  13 
      M10 1.5 30 29.7 20 19.5 8 20 19.5 10.9 10.5 17.2 6.5 3.8
      Tag Panas: Kenop Bulat Dengan Mur Bergulir Kerah, Cina, Produsen, Pemasok, Pabrik
      Kategori Terkait
      mengirimkan permintaan
      Jangan ragu untuk memberikan pertanyaan Anda dalam formulir di bawah ini. Kami akan membalas Anda dalam 24 jam.
      X
      We use cookies to offer you a better browsing experience, analyze site traffic and personalize content. By using this site, you agree to our use of cookies. Privacy Policy
      Reject Accept