Rumah > Produk > Kacang las > Sekrup pengelasan > Sekrup Las Dengan Benang Metrik
        Sekrup Las Dengan Benang Metrik
        • Sekrup Las Dengan Benang MetrikSekrup Las Dengan Benang Metrik
        • Sekrup Las Dengan Benang MetrikSekrup Las Dengan Benang Metrik
        • Sekrup Las Dengan Benang MetrikSekrup Las Dengan Benang Metrik

        Sekrup Las Dengan Benang Metrik

        Sekrup las dengan ulir metrik digunakan untuk mengelas ke permukaan logam, dan kemudian ulir metrik digunakan untuk menyambung komponen lainnya. Perusahaan Xiaoguo® memiliki persediaan barang yang cukup. Mereka cocok untuk pembuatan logam, panel otomotif atau rangka industri.
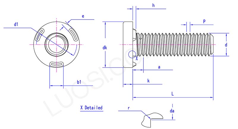
        Model:DIN 34817-2001

        mengirimkan permintaan

        Deskripsi Produk

        Senin
        M5 M6 M8 M10 M12 M14
        P
        0.8 1 1.25 1.5 1.5 1.5
        maksimal
        2.4 2.8 3.7 4.4 4.6 4.6
        dk maks
        10 12 16 20 24 28
        min
        9.64 11.57 15.57 19.48 23.48 27.48
        d1 menit
        7.85 9.75 13.25 17.15 21.15 25.20
        d1 maks
        8.21 10.11 13.68 17.58 21.67 25.72
        jam maks
        0.8 0.8 1.2 1.4 1.6 1.6
        jam mnt
        0.7 0.7 1.1 1.3 1.5 1.5
        k maks
        2.2 2.7 3.2 4.2 5 5.8
        k menit
        1.8 2.3 2.8 3.8 4.6 5.4
        menit
        0.1 0.15 0.15 0.15 0.15 0.2
        e maks
        1.7 1.7 2.2 2.2 2.2 2.7
        menit
        1.3 1.3 1.8 1.8 1.8 2.3
        b1 maks
        3.9 4.4 5.9 7.9 9.4 11.5
        b1 mnt
        3.1 3.6 5.1 7.1 8.6 10.5
        dan maks
        5.3 6.4 8.4 10.5 13 15

        Sekrup las dengan ulir metrik dipasang pada benda kerja dengan mengelas. Sekrup jenis ini tersedia dalam model kepala dan non-kepala. Menurut ulirnya, sekrup ini dapat diklasifikasikan lebih lanjut menjadi sekrup las ulir eksternal dan sekrup las ulir internal. Spesifikasinya umumnya dari M5 hingga M14.

        Weld screw with metric thread parameter

        Dapat digunakan di

        Sekrup las dengan ulir metrik digunakan untuk memperbaiki braket knalpot. Jikabautnyalubang pada braket knalpot sudah aus, dapat diperbaiki dengan menggunakannya. Bersihkan titik las titik pada rangka, pasang sekrup, dan lakukan pengelasan titik melalui lubang pada ring. Kencangkan braket dengan baut. Hanya membutuhkan waktu 3 menit dan tidak perlu mengebor ulang atau mengetuk. Dapat menahan getaran jalan tanpa kendor.

        Sekrup las dengan ulir metrik digunakan untuk meningkatkan braket konveyor. Jika Anda perlu menambahkan sensor ke konveyor yang ada, gunakan sensor tersebut untuk memasang braket dengan cepat. Las sekrup M8 ke rel pemandu rangka yang diperlukan. Tidak perlu mengebor lubang pada struktur utama. Braket sensor dipasang langsung ke ulir baru dengan baut. Ini menghemat waktu yang diperlukan untuk pemasangan ulang kabel selama renovasi dan pemasangan.

        Sekrup las digunakan untuk memasang pipa hidrolik. Jika klem selang hidrolik perlu dipasang pada peralatan, penggunaannya dapat mencegah guncangan. Las sekrup M6 di sepanjang bingkai setiap 18 inci. Braket perlengkapan dipasang langsung ke sekrup dengan baut. Mereka dapat menahan getaran terus menerus lebih baik daripada sekrup lembaran logam. Mencegah selang aus karena gesekan.

        Fitur Produk

        Keunikan sekrup las dengan ulir metrik terletak pada penggunaan metode fiksasi las. Dibandingkan dengan sambungan mekanis biasa, pengelasan dapat membuat sekrup dan bahan dasar membentuk ikatan yang lebih erat, hampir menyatu. Desain ulir metrik dapat dengan mudah dipadukan dengan mur atau komponen dengan ulir internal, sehingga memudahkan pemasangan bagian lain di masa mendatang. Selain itu, keakuratan dimensi benang sesuai dengan standar metrik, sehingga sangat serbaguna.

        Tag Panas: Sekrup Las Dengan Benang Metrik, Cina, Produsen, Pemasok, Pabrik
        Kategori Terkait
        mengirimkan permintaan
        Jangan ragu untuk memberikan pertanyaan Anda dalam formulir di bawah ini. Kami akan membalas Anda dalam 24 jam.
        X
        Kami menggunakan cookie untuk menawarkan Anda pengalaman penelusuran yang lebih baik, menganalisis lalu lintas situs, dan mempersonalisasi konten. Dengan menggunakan situs ini, Anda menyetujui penggunaan cookie kami. Kebijakan Privasi
        Menolak Menerima