Baut pengelasan proyeksi wajah berkekuatan tinggi adalah jenis pengikat khusus yang dibuat untuk terhubung dengan kuat dan mudah ke lembaran atau struktur logam. Ini memiliki proyeksi - biasanya cincin atau benjolan kecil - di sisi yang menyentuh logam, dan ini dibuat untuk ukuran yang tepat.
Saat Anda mengelasnya, banyak arus listrik berfokus pada proyeksi ini. Itu membuat logam di sana menjadi sangat panas, meleleh, dan kemudian ketika dingin, itu membentuk lasan yang kuat. Lasan ini menahan baut pengelasan proyeksi kekuatan tinggi dengan rapat ke bagian yang sedang Anda kerjakan.
Pekerjaan utama Bolt Proyeksi Kekuatan Kekuatan Tinggi adalah menciptakan titik lampiran permanen berbasis benang yang dapat menahan berat. Anda memerlukan peralatan pengelasan proyeksi khusus untuk mengelasnya.
Elektroda menekan dan mengirim banyak listrik melalui proyeksi baut dan potongan logam yang bekerja dengan Anda. Cara baut pengelasan dibuat hanya berarti proyeksi yang meleleh - tidak ada lagi. Ketika mereka dingin, mereka membentuk ikatan logam yang kuat, dan logam di sekitarnya tidak terlalu bengkok atau bengkok.
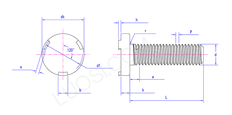
| Senin | M5 | M6 | M8 | M10 |
| P | 0.8 | 1 | 1.25 | 5 |
| DK MAX | 12.4 | 14.4 | 16.4 | 20.4 |
| DK min | 11.6 | 13.6 | 15.6 | 19.6 |
| k max | 2 | 2.2 | 3.2 | 4.2 |
| K min | 1.6 | 1.8 | 3.2 | 4.2 |
| dan maks | 2.25 | 2.75 | 2.25 | 2.75 |
| E min | 1.75 | 2.25 | 1.75 | 2.25 |
| B maks | 3.3 | 4.3 | 5.3 | 6.3 |
| B min | 2.7 | 3.7 | 4.7 | 5.7 |
| H max | 0.8 | 0.9 | 1.1 | 1.3 |
| H min | 0.6 | 0.75 | 0.9 | 1.1 |
| D1 Max | 10 | 11.5 | 14 | 17.5 |
| D1 mnt | 9 | 10.5 | 13 | 16.5 |
| R min | 0.2 | 0.25 | 0.4 | 0.4 |
| r max | 0.6 | 0.7 | 0.9 | 1.2 |
| a maks | 3.2 | 4 | 5 | 5 |

Baut pengelasan proyeksi kekuatan tinggi memiliki sedikit bagian yang terangkat - biasanya cincin atau penyok kecil - di sisi yang dilas. Saat Anda mengelasnya, banyak listrik berfokus pada bagian -bagian yang terangkat. Mereka segera meleleh ke logam dasar, sementara elektroda menekan ke bawah.
Ini membuat lasan kuat dan kencang yang menahan baut di tempatnya dengan baik. Mereka bekerja dengan baik untuk pekerjaan lembaran logam.