Untukmengunci kerah dengan fiksasi baut, Anda dapat memilih bahan berdasarkan kebutuhan Anda. Baja karbon (seperti SAE 1070/1095) digunakan saat Anda membutuhkan material yang kuat untuk pekerjaan berat. Baja tahan karat (AISI 304/316) bekerja dengan baik di tempat yang mungkin berkarat atau menimbulkan korosi. Paduan titanium bagus untuk barang luar angkasa yang membutuhkannya ringan namun kuat. Ada juga produk khusus seperti Inconel® untuk situasi dengan suhu ekstrem, baik sangat panas atau sangat dingin.
Mereka menguji setiap material dengan hati-hati untuk memastikan material tersebut dapat bertahan—memeriksa seberapa kuat material tersebut dapat meregang tanpa putus (hingga 1500 MPa) dan seberapa banyak keausan yang dapat diatasi seiring berjalannya waktu. Beragamnya bahan membuat cincin penahan ini dapat digunakan di berbagai lingkungan, mulai dari tempat yang sangat dingin hingga pabrik dengan suhu panas tinggi.
Merawatmengunci kerah dengan fiksasi bautberarti melakukan pemeriksaan rutin terhadap kekencangan baut, keausan permukaan, atau karat. Selama perawatan, kencangkan baut sesuai torsi yang direkomendasikan pabrikan (biasanya 20-50 Nm). Gunakan pembersih yang lembut untuk membersihkan kotoran dan mengoleskan minyak anti kejang pada benang agar lebih mudah dibongkar nanti. Jika Anda melihat retakan atau cincinnya cacat, gantilah. Simpan cincin di tempat kering dengan suhu terkontrol agar tidak rusak sebelum Anda memasangnya. Mengikuti rutinitas ini akan membantu mereka bekerja paling baik dan membuatnya bertahan hingga 30% lebih lama.

Q: Bagaimana cara menentukan ukuran amengunci kerah dengan fiksasi bautuntuk diameter poros saya?
A: Memilih yang benarmengunci kerah dengan fiksasi bauttergantung pada ketebalan poros (OD) dan jenis ulir Anda. Mulailah dengan mengukur ketebalan poros Anda dan bandingkan dengan panduan ukuran pembuatnya. Hal penting yang perlu diperhatikan: ukuran bagian dalam kerah harus sesuai dengan ulir poros, ukuran baut, dan seberapa tebal kerah tersebut. Jika poros Anda tidak berulir, Anda harus menambahkan utas terlebih dahulu. Selalu periksa ulang apakah benangnya metrik atau imperial – mencampurkannya akan menyebabkan sakit kepala. Untuk poros berukuran aneh, ada kerah khusus tetapi memerlukan waktu dan uang ekstra.
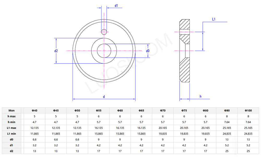
Kerah pengunci kami yang dipasang dengan baut sebagian besar terbuat dari baja karbon. Kami memilih material ini karena memiliki ketangguhan dan ketahanan aus yang baik, sehingga dapat memenuhi kebutuhan penggunaan dasar produk.
Sebelum produk keluar dari pabrik, kami melapisi permukaannya dengan lapisan anti karat. Perawatan ini menjaga kerah agar tidak berkarat saat digunakan di lingkungan lembab atau disimpan dalam waktu lama.
Kami juga memiliki material opsional seperti baja tahan karat, untuk pelanggan yang membutuhkan ketahanan korosi yang lebih baik. Ketebalan material produk dirancang berdasarkan persyaratan penahan beban standar, sehingga tidak akan berubah bentuk atau pecah selama penggunaan normal.
Bagian baut terbuat dari bahan yang sama dengan collar, sehingga keseluruhan produk memiliki performa dan stabilitas yang konsisten.
Biaya pengiriman untuk kerah pengunci yang dipasang dengan baut bergantung pada tujuan pengiriman Anda, metode pengiriman mana yang Anda pilih, dan berapa banyak yang Anda pesan.
Jika Anda menggunakan logistik standar, biayanya lebih rendah, tetapi pengirimannya memakan waktu lebih lama—biasanya 3 hingga 7 hari kerja. Untuk pesanan terburu-buru, Anda dapat memilih pengiriman ekspres, tetapi biayanya lebih mahal. Biaya tambahan pastinya tergantung pada seberapa jauh pengiriman harus dilakukan.
Ketika pesanan Anda mencapai jumlah tertentu, kami akan menanggung biaya pengiriman untuk Anda. Setiap produk berukuran kecil dan ringan, sehingga pesanan dalam jumlah kecil pun tidak akan dikenakan biaya pengiriman yang sangat tinggi.
Sebelum kami mengirimkan apa pun, kami akan mengemas kalungnya dengan benar untuk mencegah kerusakan selama transit. Dan biaya pengemasan ini sudah termasuk dalam biaya pengiriman—Anda tidak perlu membayar ekstra untuk itu.
Jika Anda ingin mengetahui biaya pengiriman pastinya, tanyakan saja pada tim layanan pelanggan kami. Mereka akan menghitungnya berdasarkan detail pesanan spesifik Anda.
Q: Apa MOQ dan lead time untuk Locking Collar dengan Bolt Fixation Anda, dan apakah Anda menawarkan diskon pesanan massal?
A: Jumlah pesanan minimum (MOQ) untuk Locking Collar dengan Bolt Fixation standar adalah 300 buah, dengan lead time 7–10 hari kerja untuk pesanan reguler. Untuk pesanan massal lebih dari 5000 buah, kami menawarkan diskon berjenjang (diskon 3% –10%) untuk mengurangi biaya pengadaan Anda. Kerah Penguncian Khusus dengan Fiksasi Baut memiliki MOQ 500 buah dan waktu tunggu 12–18 hari kerja, termasuk validasi sampel dan penjadwalan produksi.