Tipe Bahu Nilai baut mata untuk pengikat ditentukan oleh standar kekuatan dan material, yang penting untuk pengangkatan yang aman. Nilai yang umum mencakup 4,8, 8,8, 10,9, dan 12,9 untuk varian baja karbon—angka yang lebih tinggi berarti kekuatan tarik yang lebih besar. Grade 4.8 cocok untuk tugas-tugas ringan seperti DIY di rumah, sedangkan 8.8 cocok untuk keperluan industri umum. Nilai 10,9 dan 12,9 berkekuatan tinggi menangani beban berat dalam konstruksi atau permesinan.
Versi baja tahan karat sering kali mengikuti grade A4 (316) atau A2 (304), yang memprioritaskan ketahanan korosi untuk lingkungan kelautan/kimia. Nilai baja paduan tempa menawarkan daya tahan unggul untuk pengangkatan ekstrem. Setiap tingkatan ditandai dengan peringkat beban, memastikan kompatibilitas dengan aplikasi yang dimaksudkan dan kepatuhan keselamatan.
Kontrol kualitas untuk baut Mata Tipe Bahu berarti melakukan pemeriksaan menyeluruh untuk memastikannya aman dan berfungsi dengan baik. Proses ini biasanya melibatkan memastikan kualitas material sudah benar, memeriksa benang untuk melihat apakah benangnya akurat, dan menjalankan uji beban untuk memastikan Batas Beban Kerja (WLL). Mereka juga memeriksa apakah dimensinya sesuai dengan standar seperti DIN atau ISO. Setiap kumpulan baut mata harus dapat dilacak, dan Anda akan mendapatkan sertifikasi yang membuktikan bahwa baut tersebut memenuhi persyaratan penggunaan Anda.

Pertanyaan: Bagaimana cara memasang baut Mata Tipe Bahu dengan benar? Untuk baut standar, kencangkan seluruhnya langsung ke dalam lubang yang disadap—pastikan bahu mata menyentuh permukaan. Menarik secara miring akan mengurangi beban kerja amannya, dan itu berbahaya.

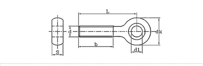
mm
Diameter benang
d1
dk
s
M6
5
10.5
5.4
M8
6
13
7
M10
8
16
8.5
M12
10
19
10.5
M14
10
22
12