Rumah > Produk > Kacang > Kacang segienam > Sistem HR Mur Segi Enam Besar
        Sistem HR Mur Segi Enam Besar
        • Sistem HR Mur Segi Enam BesarSistem HR Mur Segi Enam Besar
        • Sistem HR Mur Segi Enam BesarSistem HR Mur Segi Enam Besar
        • Sistem HR Mur Segi Enam BesarSistem HR Mur Segi Enam Besar

        Sistem HR Mur Segi Enam Besar

        Mur segi enam besar Sistem HR adalah bagian dari pasangan sambungan struktural baut berkekuatan tinggi yang telah dimuat sebelumnya, digunakan bersama dengan baut kepala segi enam besar tipe HR, dan sering digunakan dalam struktur baja di industri konstruksi. Produk produsen profesional Xiaoguo® telah diuji dan memenuhi standar kualitas, serta terjangkau.
        Model:EN 14399-7-2007

        mengirimkan permintaan

        Deskripsi Produk

        Sistem HR mur segi enam besardigunakan dalam kombinasi dengan baut berukuran besar dan biasanya digunakan pada pekerjaan yang memerlukan kekuatan dan stabilitas lebih besar. Mereka sering digunakan dalam industri konstruksi, seperti pada bangunan struktur baja, untuk menyatukan balok dan kolom.

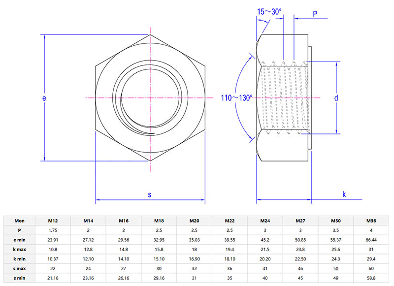
        Detail dan parameter produk

        System HR large hexagon nuts

        Beberapa detail perlu diperhatikan saat memasang mur segi enam besar sistem HR. Pertama-tama, pastikan ukuran ulir mur sama persis dengan bautnya. Ketidakcocokan apa pun dapat menyebabkan koneksi tidak aman. Setelah menemukan mur yang sesuai, pasang mur pada baut. Lalu, ambil kunci pasnya. Putar kunci pas searah jarum jam untuk mengencangkan mur. Karena mur ini cocok untuk aplikasi kekuatan tinggi, diperlukan tenaga yang besar untuk mengencangkannya.

        Dalam industri konstruksi, mur segi enam besar digunakan untuk konstruksi bangunan berstruktur baja. Para pekerja menggunakan mur ini untuk menyatukan balok dan kolom guna membangun kerangka bangunan yang kokoh. Dalam konstruksi jembatan, keduanya sangat penting dalam menghubungkan struktur jembatan, memastikan mampu menopang beban kendaraan dan kekuatan alam. Mereka juga digunakan untuk membangun gudang besar dan fasilitas industri.

        Sistem HR mur segi enam besardigunakan dalam peralatan pertambangan, turbin angin atau peralatan konstruksi berat. Kunci pas ini sering digunakan di lingkungan bertekanan tinggi seperti pabrik baja atau galangan kapal, dan bentuk heksagonalnya yang besar cocok untuk kunci pas industri. Petani menggunakannya pada traktor. Pabrik mengandalkan mereka untuk memasang sistem transmisi.

        System HR large hexagon nuts

        Pertimbangan Ukuran

        Sistem HR mur segi enam besarstersedia dalam berbagai ukuran. Ukuran yang lebih kecil (seperti sekitar M12) dapat digunakan untuk struktur kecil yang masih memerlukan sambungan kuat. Misalnya saja konstruksi rangka logam kecil untuk peralatan atau perangkat industri ringan tertentu. Ukuran yang lebih besar (dalam beberapa kasus hingga M36 atau bahkan lebih besar) cocok untuk proyek konstruksi skala besar. Saat membangun pabrik industri besar atau gedung bertingkat, mur berukuran besar ini digunakan untuk memperbaiki komponen struktural utama. Sangat penting untuk mengukur ukuran baut secara akurat sebelum memilih mur.

        Tag Panas: Sistem HR Kacang Hexagon Besar, Cina, Produsen, Pemasok, Pabrik
        Kategori Terkait
        mengirimkan permintaan
        Jangan ragu untuk memberikan pertanyaan Anda dalam formulir di bawah ini. Kami akan membalas Anda dalam 24 jam.
        X
        Kami menggunakan cookie untuk menawarkan Anda pengalaman penelusuran yang lebih baik, menganalisis lalu lintas situs, dan mempersonalisasi konten. Dengan menggunakan situs ini, Anda menyetujui penggunaan cookie kami. Kebijakan Privasi
        Menolak Menerima