Rumah > Produk > Kacang > Kacang segienam > Mur Segi Enam Talang Tunggal Tipe 2
        Mur Segi Enam Talang Tunggal Tipe 2
        • Mur Segi Enam Talang Tunggal Tipe 2Mur Segi Enam Talang Tunggal Tipe 2
        • Mur Segi Enam Talang Tunggal Tipe 2Mur Segi Enam Talang Tunggal Tipe 2
        • Mur Segi Enam Talang Tunggal Tipe 2Mur Segi Enam Talang Tunggal Tipe 2

        Mur Segi Enam Talang Tunggal Tipe 2

        Mur segi enam talang tunggal tipe 2 dapat digunakan di lingkungan di mana mur standar tidak dapat digunakan. Ketinggian mur Tipe 2 sekitar 10% lebih tinggi dibandingkan mur Tipe 1. Saat membeli dari Xiaoguo®, kami menjamin dapat menyediakan produk berkualitas tinggi yang memenuhi kebutuhan pengikatan Anda.
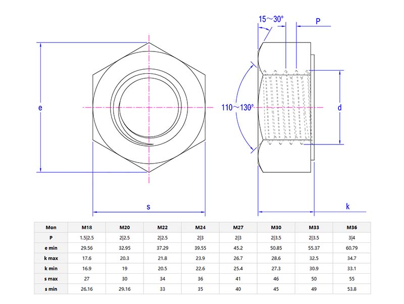
        Model:JIS B1181-6-1993

        mengirimkan permintaan

        Deskripsi Produk

        Mur segi enam talang tunggal tipe 2lebih tebal dan kuat dari Tipe 1, dan kapasitas bebannya lebih tinggi dibandingkan Tipe 1, sehingga cocok untuk skenario beban berat atau kebutuhan tinggi. Tipe 1 cocok untuk pekerjaan ringan, sedangkan Tipe 2 cocok untuk mesin berat atau beban struktural. Namun, Tipe 2 lebih mahal dan lebih berat.

        Mur segi enam talang tunggal tipe 2 adalah mur heksagonal yang relatif terjangkau dan tidak memerlukan perlakuan panas. Mur tipe 2 banyak digunakan pada aplikasi yang sering memerlukan perakitan dan pembongkaran, seperti dirgantara, otomotif, konstruksi, permesinan, dan aplikasi lain yang memerlukan konektor yang relatif kuat.

        Detail dan parameter produk

        Type 2 single chamfered hexagon nut


        Mur segi enam talang tunggal tipe 2 dipasang pada rangka truk, sistem ban berjalan, atau peralatan pertanian. Mereka dapat menahan torsi yang lebih besar, mencegah mur terlepas, dan talang membantu menyelaraskan baut dengan cepat. Mereka terlalu besar untuk rak atau perabotan dasar.

        Saat memilihtipe 2 mur segi enam talang tunggal, ukuran baut sebaiknya diperhatikan terlebih dahulu. Cocokkan diameter ulir (misalnya M12, ¾") dan pitch (benang kasar atau benang halus). Chamfering akan menambah Sudut kecil pada salah satu sisi ulir. Saat mengencangkan, hindari salah memasang ulir. Jangan mencampur ulir metrik dan imperial, karena akan merusak ulir.

        Mur segi enam dengan talang tunggal tipe 2 dapat memandu baut lebih cepat, sehingga mengurangi waktu henti peralatan dalam produksi massal. Mur galvanis hot-dip cocok untuk penggunaan di luar ruangan, tetapi harus dihindari di lingkungan korosif yang lapisannya dapat rusak. Jangan menggunakan kembali mur pada peralatan yang sudah dibuang.


        Type 2 single chamfered hexagon nut

        Tip Instalasi

        Saat memasangtipe 2 mur segi enam talang tunggal, talang menghadap baut untuk membuat sambungan berulir lebih mulus. Gunakan kunci momen untuk mengencangkannya. Berhati-hatilah karena mengencangkan secara berlebihan dapat merusak baut. Disarankan untuk menggunakan baut bermutu tinggi (dengan tingkat kekuatan yang sama) dan ring yang diperkeras secara bersamaan.

        Tag Panas: Kacang Hexagon Talang Tunggal Tipe 2, Cina, Produsen, Pemasok, Pabrik
        Kategori Terkait
        mengirimkan permintaan
        Jangan ragu untuk memberikan pertanyaan Anda dalam formulir di bawah ini. Kami akan membalas Anda dalam 24 jam.
        X
        Kami menggunakan cookie untuk menawarkan Anda pengalaman penelusuran yang lebih baik, menganalisis lalu lintas situs, dan mempersonalisasi konten. Dengan menggunakan situs ini, Anda menyetujui penggunaan cookie kami. Kebijakan Privasi
        Menolak Menerima