Rumah > Produk > Kacang > Mur Flensa Segi Enam > Kacang Hexagon Dengan Flange
        Kacang Hexagon Dengan Flange
        • Kacang Hexagon Dengan FlangeKacang Hexagon Dengan Flange
        • Kacang Hexagon Dengan FlangeKacang Hexagon Dengan Flange
        • Kacang Hexagon Dengan FlangeKacang Hexagon Dengan Flange

        Kacang Hexagon Dengan Flange

        Mur segi enam Xiaoguo® dengan flensa terintegrasi dengan dasar flensa untuk distribusi beban yang lebih baik tanpa memerlukan gasket tambahan. Flensa mendistribusikan tekanan dan bentuk heksagonal menyederhanakan pemasangan, menghemat waktu pemasangan dan jumlah komponen yang digunakan. Sampel gratis tersedia.
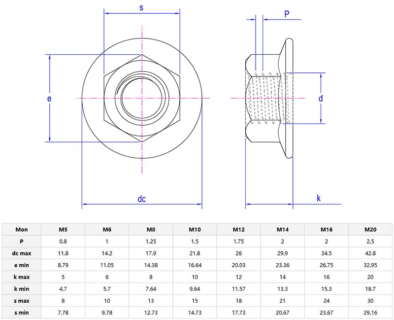
        Model:NF E25-406-1984

        mengirimkan permintaan

        Deskripsi Produk

        Mur segi enam dengan flensaadalah pengencang yang menggabungkan mur heksagonal standar dengan mesin cuci (flensa) bawaan. Mereka terbuat dari baja, baja tahan karat atau paduan berlapis. Mereka cocok dengan baut standar dan tidak memerlukan ring terpisah. Sangat cocok untuk dipasang pada mesin dan kendaraan.  

        Hexagon nuts with flange

        Detail dan parameter produk

        Mur segi enam dengan flensasudah memiliki flensa seperti paking, sehingga Anda dapat mengencangkannya lebih cepat. Ukuran mur berkisar dari M3 hingga M30 dan mencakup segala hal mulai dari elektronik kecil hingga mesin berat. Flensa juga mencegah mur berputar setelah pemasangan, sehingga sangat nyaman untuk pekerjaan yang bagus. Carilah mur dengan bentuk heksagonal halus yang lebih mudah digenggam dengan alat. Kegunaan umum termasuk rangka sepeda, suku cadang mesin pertanian, dan bahkan kaki furnitur.

        Mur segi enam dengan flensasederhana namun penting. Mereka mencegah jatuh, menghemat ruang dan mempercepat perakitan. Ukuran yang populer adalah M10 x 1,5mm atau 1/2" x 13UNC. Flensa juga menambahkan bibir kecil untuk membantu menyelaraskan perkakas. Sebagian besar terbuat dari baja karbon dasar, tetapi Anda bisa mendapatkan paduan berkekuatan tinggi untuk beban ekstrem. Gunakan untuk apa saja mulai dari tiang tenda hingga traktor.

        Mur segi enam dengan flensamenambah cengkeraman dan perlindungan tanpa bagian tambahan. Harganya sedikit lebih mahal dibandingkan mur biasa, namun menghemat waktu dan mengurangi perangkat keras yang longgar. Sempurna untuk perbaikan cepat atau pekerjaan yang mengutamakan perawatan permukaan.

        Hexagon nuts with flange parameter

        Butuh mur yang tetap terpasang?

        Mur segi enam dengan flensaadalah pengencang tugas berat yang menjaga mur tetap di tempatnya meskipun terguncang. Basis lebar seperti mesin cuci built-in, yang mencengkeram permukaan agar mur tidak kendor dan digunakan dalam permesinan. Mur ini tersedia dalam ukuran imperial (seperti 1 1/2") dan metrik (hingga M36), yang cocok untuk sebagian besar baut. Bagian bawah yang rata membantu menyusun semuanya dengan rapi, yang penting untuk pekerjaan yang presisi seperti merakit rangka logam atau memperbaiki mesin. Carilah mur yang memiliki ulir yang lebih dalam—mur ini mencengkeram baut lebih erat, sehingga dapat diandalkan untuk pekerjaan kasar. Anda akan melihat mur ini pada peralatan pabrik, reparasi kendaraan, atau bahkan instalasi seni luar ruangan yang mengutamakan stabilitas. Mur ini lebih besar daripada mur biasa, tetapi flensanya lebih kecil membutuhkan mesin cuci terpisah.

        Tag Panas: Kacang Hexagon Dengan Flange, Cina, Produsen, Pemasok, Pabrik
        Kategori Terkait
        mengirimkan permintaan
        Jangan ragu untuk memberikan pertanyaan Anda dalam formulir di bawah ini. Kami akan membalas Anda dalam 24 jam.
        X
        Kami menggunakan cookie untuk menawarkan Anda pengalaman penelusuran yang lebih baik, menganalisis lalu lintas situs, dan mempersonalisasi konten. Dengan menggunakan situs ini, Anda menyetujui penggunaan cookie kami. Kebijakan Privasi
        Menolak Menerima